




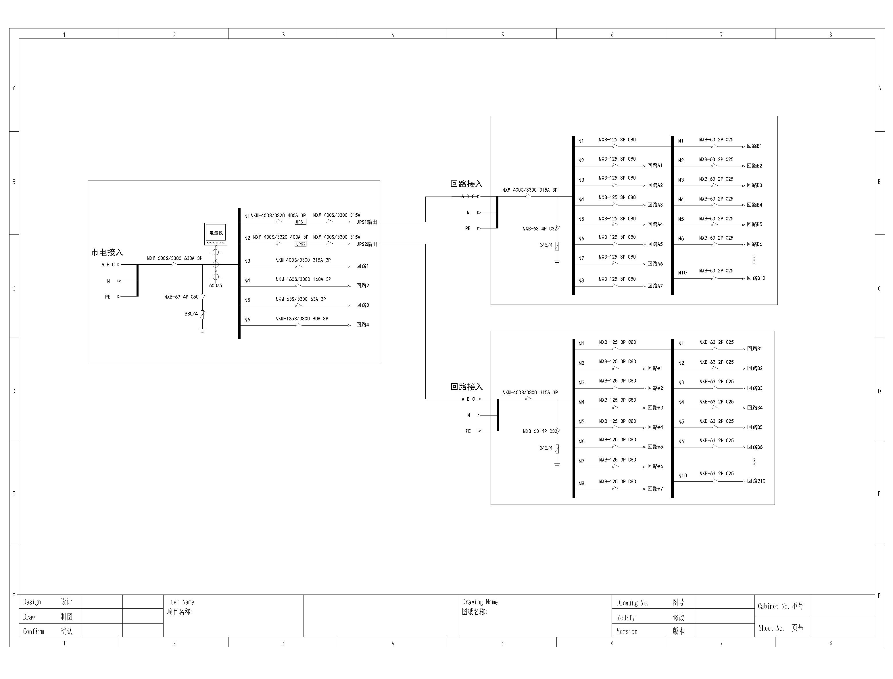
两套200KVA UPS 单路市电 C级 不带维修旁路 正泰 总容量630A 普通配电
总容量630A 正泰 配置单路市电输入 两台200KVA UPS延时30分钟
收藏
联系客服24小时客服

扫码联系客服,立即咨询
如需了解更详情资料
联系客服:400-6611-323
联系客服:400-6611-323
方案BOM清单
方案总价
533941.61
方案描述
暂无数据
CAD图纸
暂无文件
文件信息
暂无文件
用户评价
发表评价
专业性
价格
服务
评价商品
0 / 500
晒图片
点击上传图片
暂无评价
