




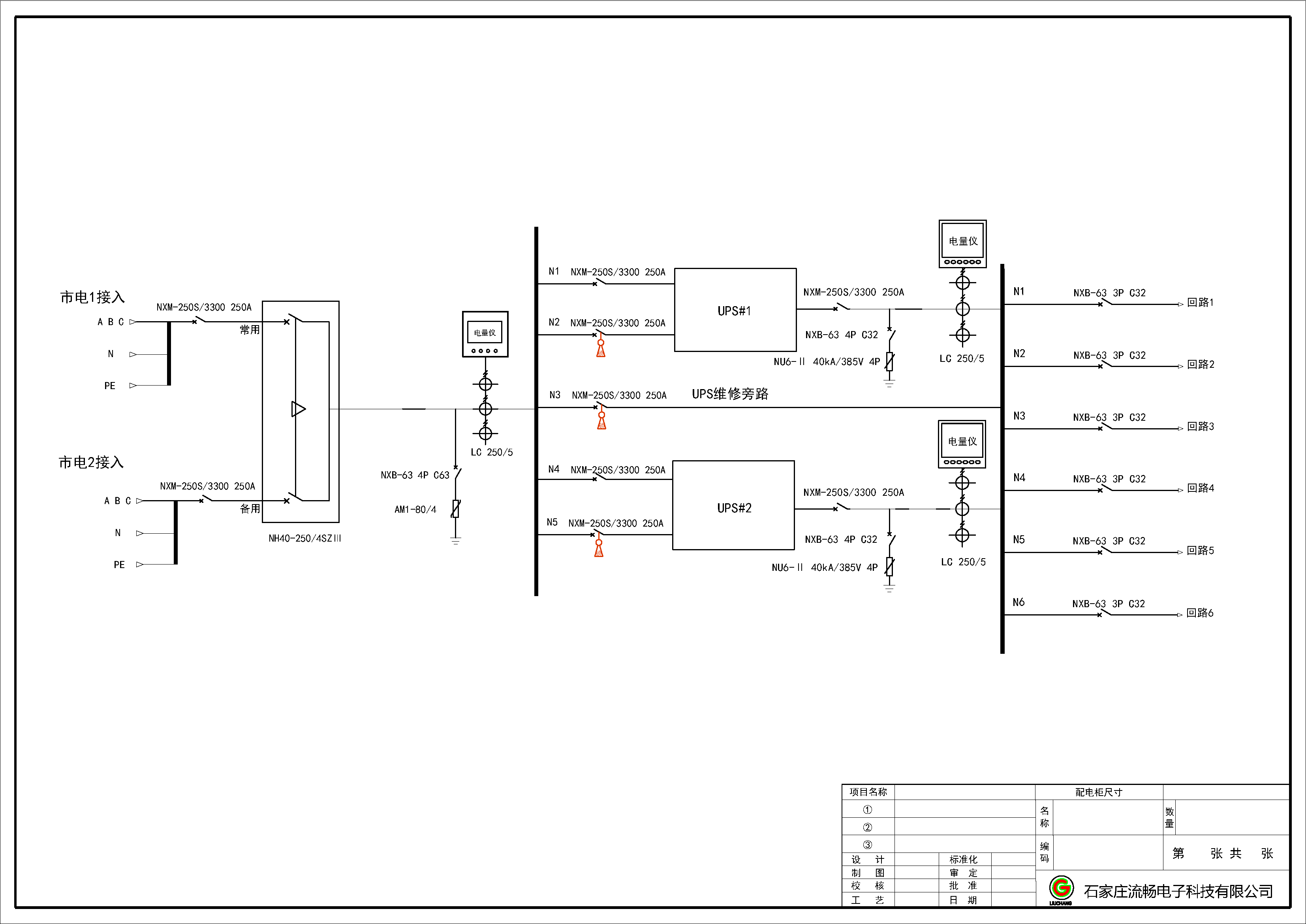
两套120KVA UPS 双路市电 B级 带维修旁路 正泰 总容量250A 普通配电
两套120KVA UPS 双路市电 B级 带维修旁路 正泰 总容量250A 普通配电 UPS冗余 双电源ATS
收藏
联系客服24小时客服

扫码联系客服,立即咨询
如需了解更详情资料
联系客服:400-6611-323
联系客服:400-6611-323
方案BOM清单
方案总价
621674.31
方案描述
暂无数据
CAD图纸
暂无文件
文件信息
暂无文件
用户评价
发表评价
专业性
价格
服务
评价商品
0 / 500
晒图片
点击上传图片
暂无评价
