



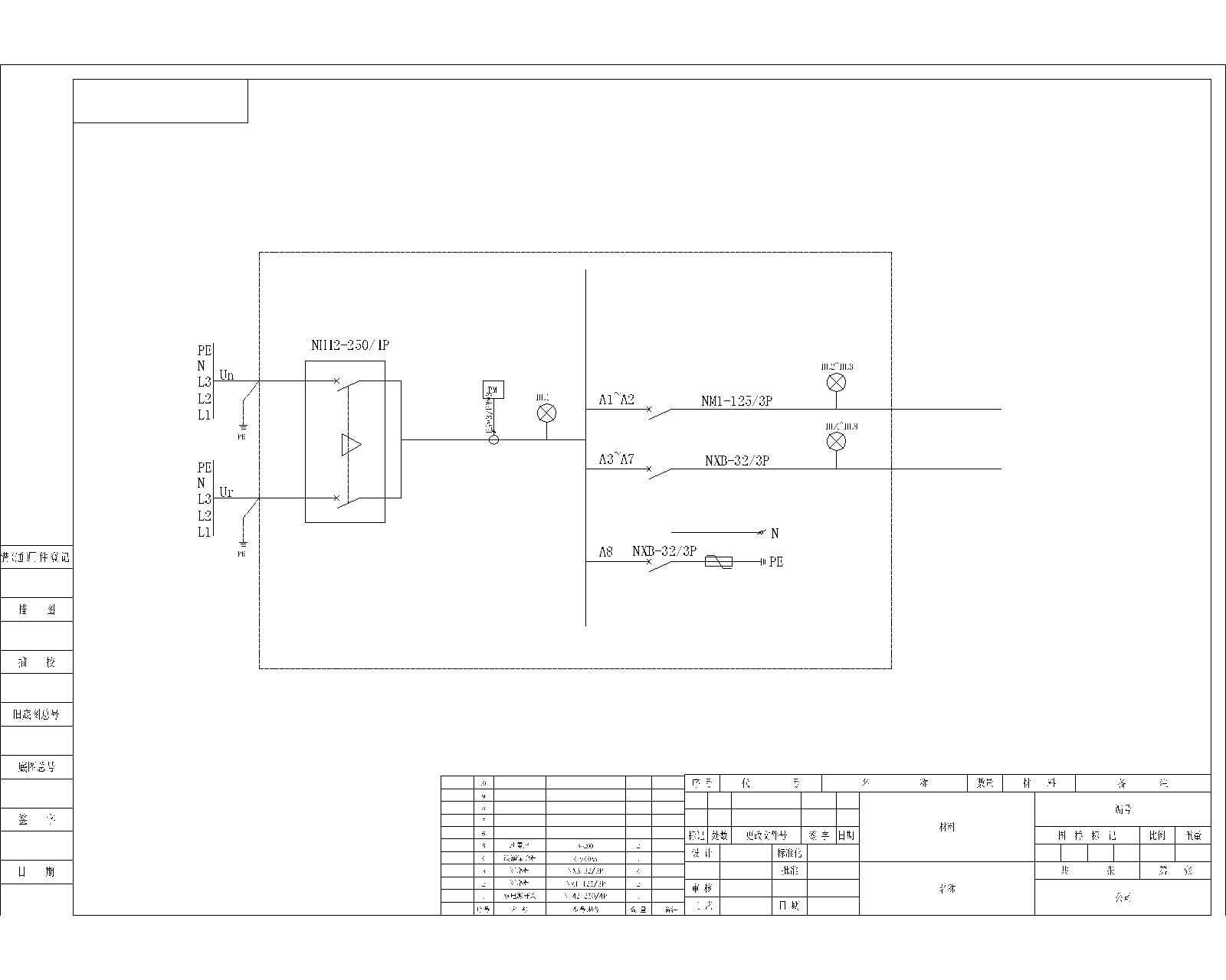
XL21动力柜 正泰 250A 8路 ATS 带浪涌
XL21动力柜 正泰 250A 8路 ATS 带浪涌 700*1700*370
收藏
联系客服24小时客服

扫码联系客服,立即咨询
如需了解更详情资料
联系客服:400-6611-323
联系客服:400-6611-323
方案BOM清单
方案总价
5431.03
方案描述
CAD图纸
928302.dwg
文件信息
928302.pdf
用户评价
发表评价
专业性
价格
服务
评价商品
0 / 500
晒图片
点击上传图片
暂无评价




XL21动力柜 正泰 250A 8路 ATS 带浪涌 700*1700*370

暂无评价