配电系统
UPS系统
空调系统
EPS系统
机房能源配置方案
UPS电源
蓄电池
EPS电源
电池柜
电池线
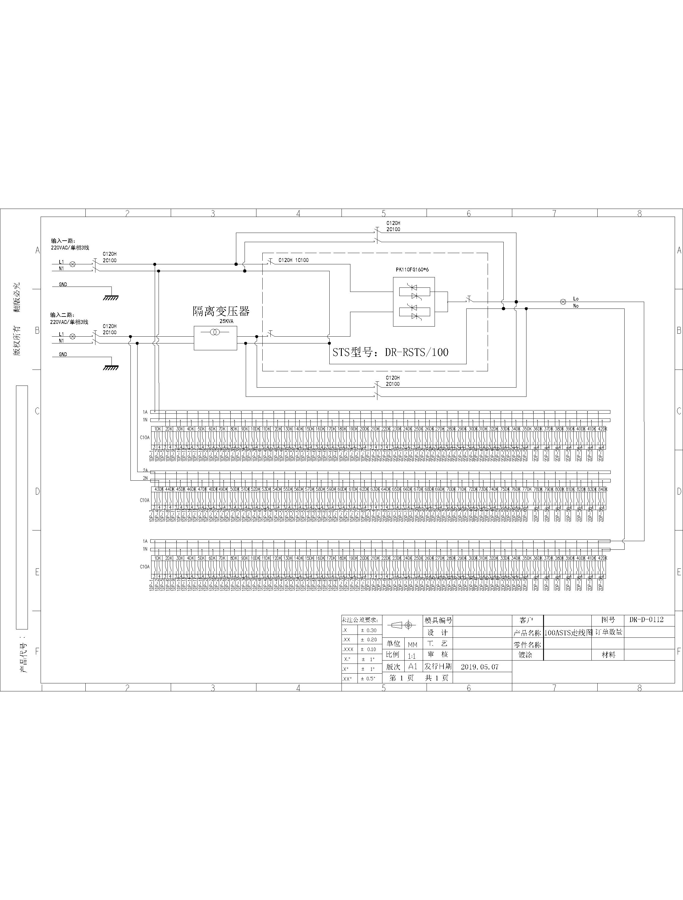
STS产品
欢迎光临瑞物云商城
官方热线:
400-6166-290
瑞物商城首页
点击登录
方案
产品
无数据
搜索
首页
成套采购
商城单品
合作商家
瑞物百科
入驻我们
关于我们
‹
›
100A STS 输出柜
100A STS 输出柜 欧西普
价格
¥
31694.40
该方案所属商家已通过认证
商家
东莞市欧西普电子有限公司
产品品牌
国产优质
|
欧西普
|
施耐德
|
正泰
|
瑞物
功能:
普通型
元气件品牌:
施耐德
柜体类型:
机柜
回路个数:
41-100路
容量:
100A
场景:
工业
应用:
STS配电柜
立即加购
立即咨询
收藏
联系客服
24小时客服
扫码联系客服,立即咨询
如需了解更详情资料
联系客服:400-6611-323
方案BOM清单
方案描述
CAD图纸
文件信息
用户评价
方案下载
方案BOM清单
方案总价
31694.40
方案描述
CAD图纸
暂无文件
文件信息
暂无文件
用户评价
发表评价
专业性
价格
服务
评价商品
0 / 500
晒图片
点击上传图片
发布
暂无评价