

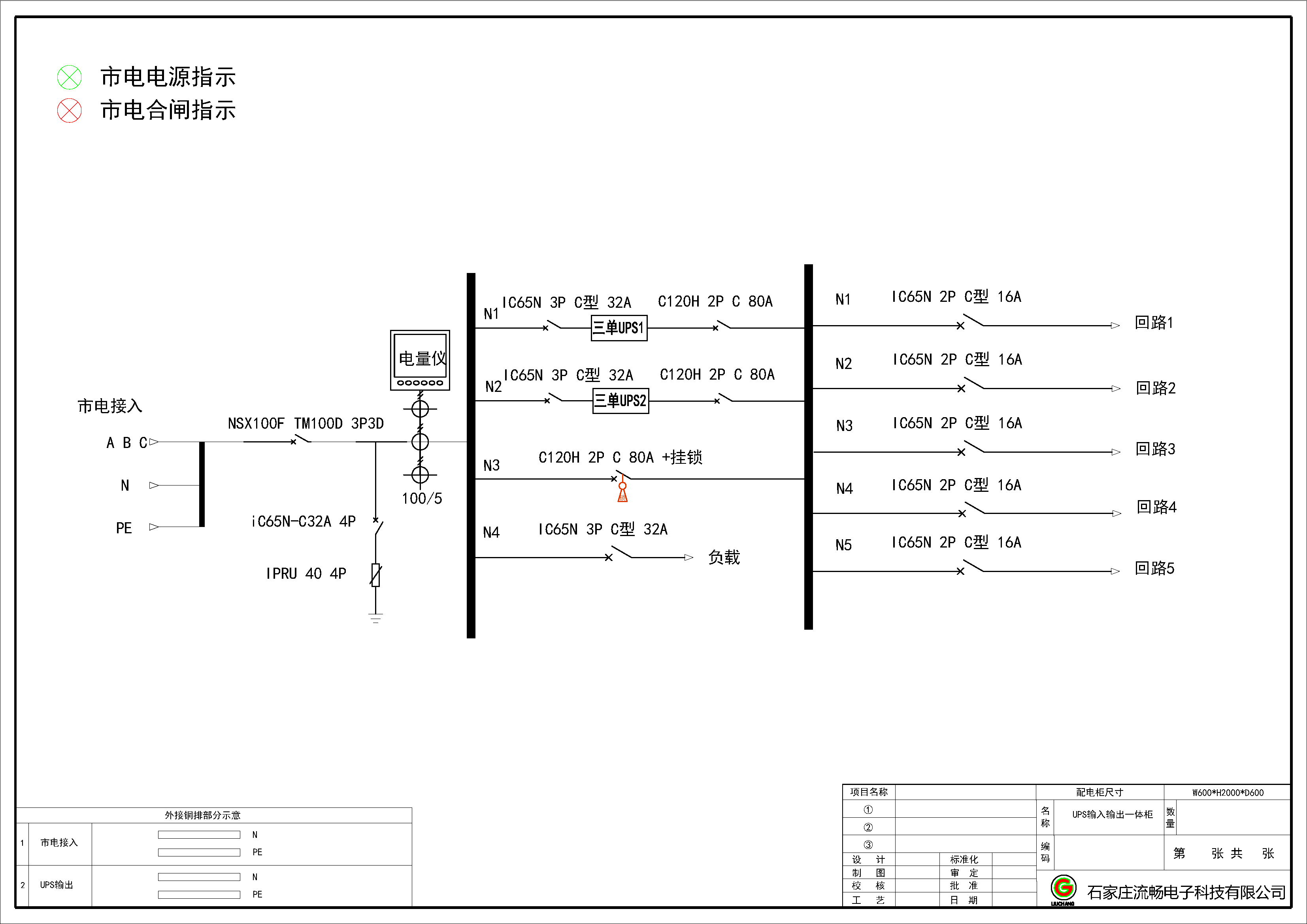
15kVA UPS输入输出一体柜 施耐德100A 4P 5回路
15kVA UPS输入输出一体柜 施耐德100A 4P 5回路 UPS冗余
收藏
联系客服24小时客服

扫码联系客服,立即咨询
如需了解更详情资料
联系客服:400-6611-323
联系客服:400-6611-323
方案BOM清单
方案总价
12082.58
方案描述
暂无数据
CAD图纸
944982.dwg
文件信息
944982.pdf
用户评价
发表评价
专业性
价格
服务
评价商品
0 / 500
晒图片
点击上传图片
暂无评价
