

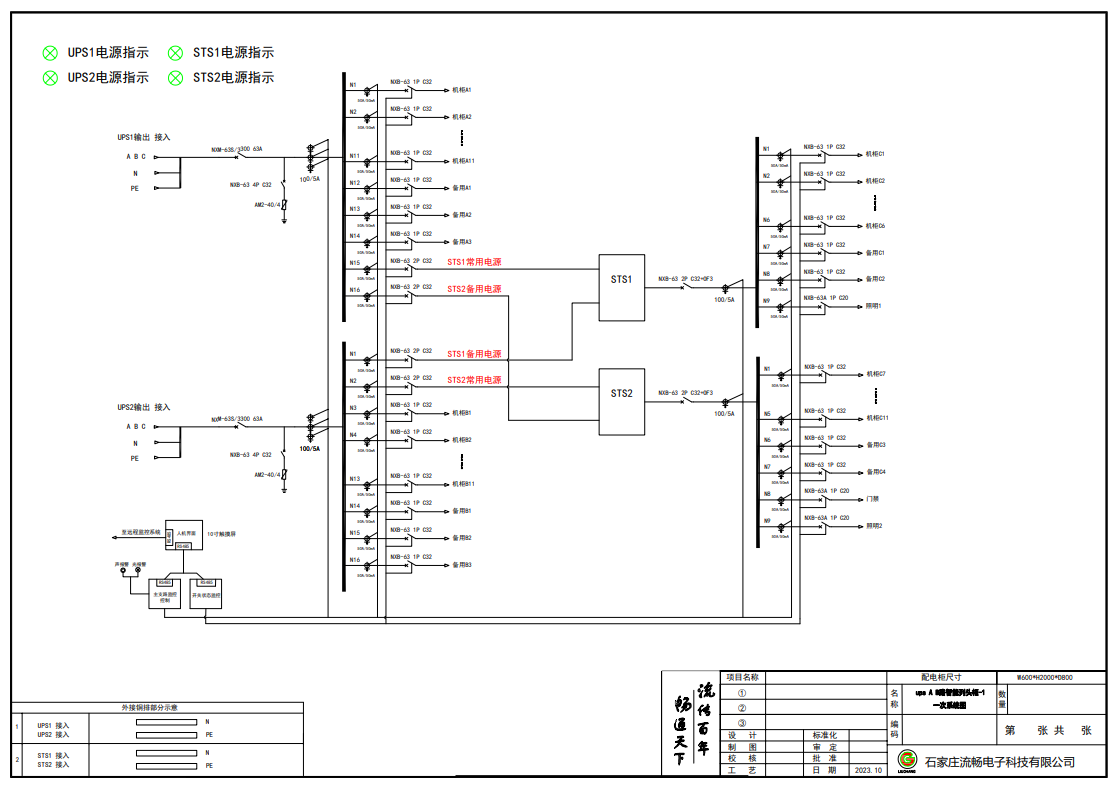
UPS AB 双路智能列头柜 正泰 63A 4P 精密型 50回路(衍)
UPS AB 双路智能列头柜 正泰 63A 4P 32回路;双路UPS接入双路输出(16*2),两个STS接入(9*2),共50个回路;上下均可进出线,后甩端子
收藏
联系客服24小时客服

扫码联系客服,立即咨询
如需了解更详情资料
联系客服:400-6611-323
联系客服:400-6611-323
方案BOM清单
方案总价
26871.20
方案描述
暂无数据
CAD图纸
944963.dwg
文件信息
944963.pdf
用户评价
发表评价
专业性
价格
服务
评价商品
0 / 500
晒图片
点击上传图片
暂无评价
