

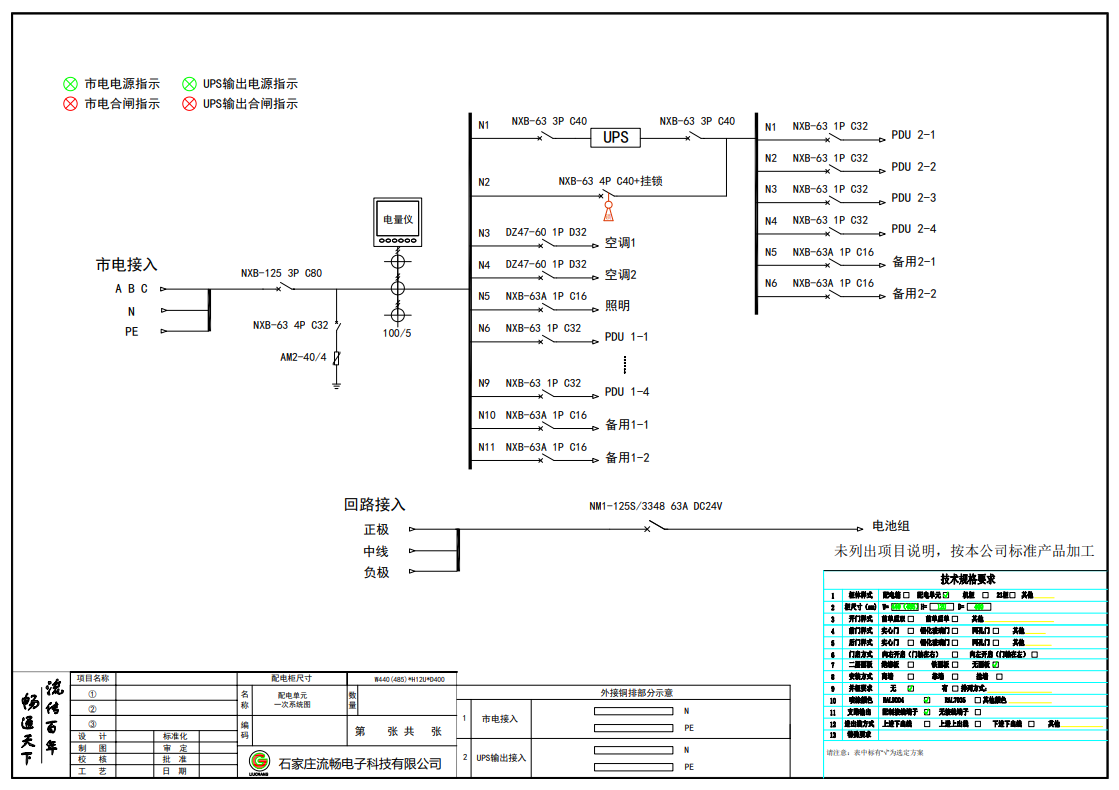
12U 配电单元 正泰 80A 4P 11回路
12U 配电单元 正泰 80A 4P 11个回路 ;UPS输出接入,带挂锁, 配制接线端子
收藏
联系客服24小时客服

扫码联系客服,立即咨询
如需了解更详情资料
联系客服:400-6611-323
联系客服:400-6611-323
方案BOM清单
方案总价
3170.24
方案描述
暂无数据
CAD图纸
944817.dwg
文件信息
944817.pdf
用户评价
发表评价
专业性
价格
服务
评价商品
0 / 500
晒图片
点击上传图片
暂无评价
