

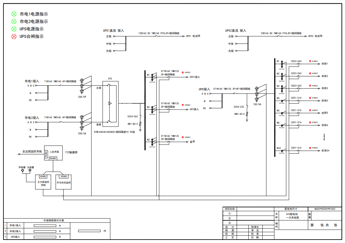
ATS配电柜 ABB 160A 4P 精密型 24回路(衍)
ATS配电柜 160A 4P 精密型; 双电源接入,UPS接入, 共24个回路;双面安装,输出每路均带合闸指示灯
收藏
联系客服24小时客服

扫码联系客服,立即咨询
如需了解更详情资料
联系客服:400-6611-323
联系客服:400-6611-323
方案BOM清单
方案总价
52142.51
方案描述
暂无数据
CAD图纸
944949.dwg
文件信息
944949.pdf
用户评价
发表评价
专业性
价格
服务
评价商品
0 / 500
晒图片
点击上传图片
暂无评价
