

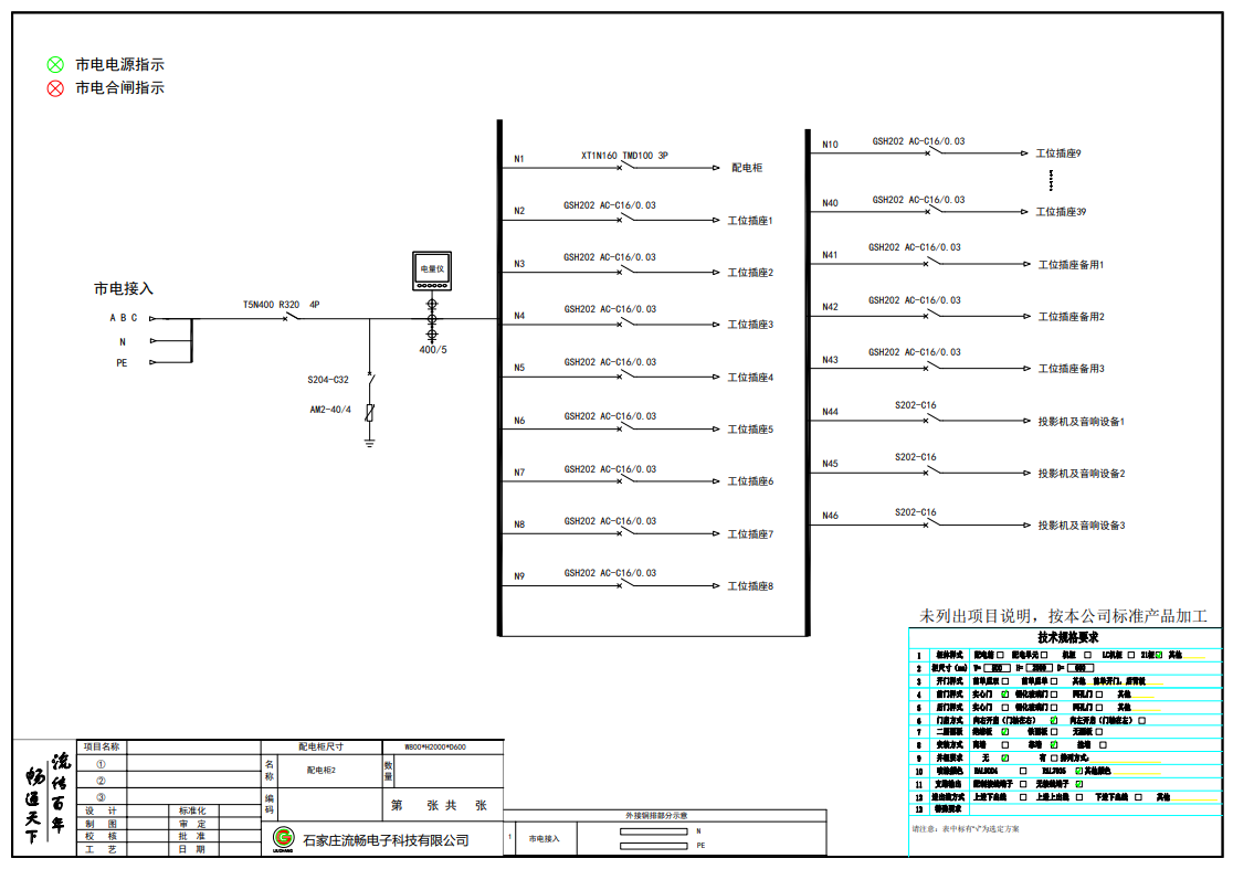
XL-21配电柜 ABB 320A 4P 46回路(衍)
XL-21配电柜 ABB 320A 4P 共46回路,无接线端子,二层面板为绝缘板,靠墙安装,前门为实心门
收藏
联系客服24小时客服

扫码联系客服,立即咨询
如需了解更详情资料
联系客服:400-6611-323
联系客服:400-6611-323
方案BOM清单
方案总价
20825.05
方案描述
暂无数据
CAD图纸
944938.dwg
文件信息
944938.pdf
用户评价
发表评价
专业性
价格
服务
评价商品
0 / 500
晒图片
点击上传图片
暂无评价
