

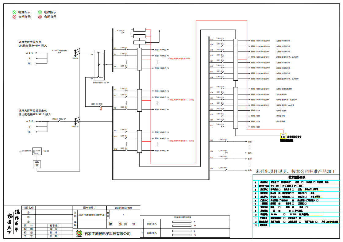
UPS配电柜AC21 ABB 63A 4P 40回路(衍)
UPS配电柜AC21 德力西 63A 4P 40回路 ;双电源接入,UPS输出,上下均可进出线,颜色7035
收藏
联系客服24小时客服

扫码联系客服,立即咨询
如需了解更详情资料
联系客服:400-6611-323
联系客服:400-6611-323
方案BOM清单
方案总价
17469.93
方案描述
暂无数据
CAD图纸
944934.dwg
文件信息
944934.pdf
用户评价
发表评价
专业性
价格
服务
评价商品
0 / 500
晒图片
点击上传图片
暂无评价
