



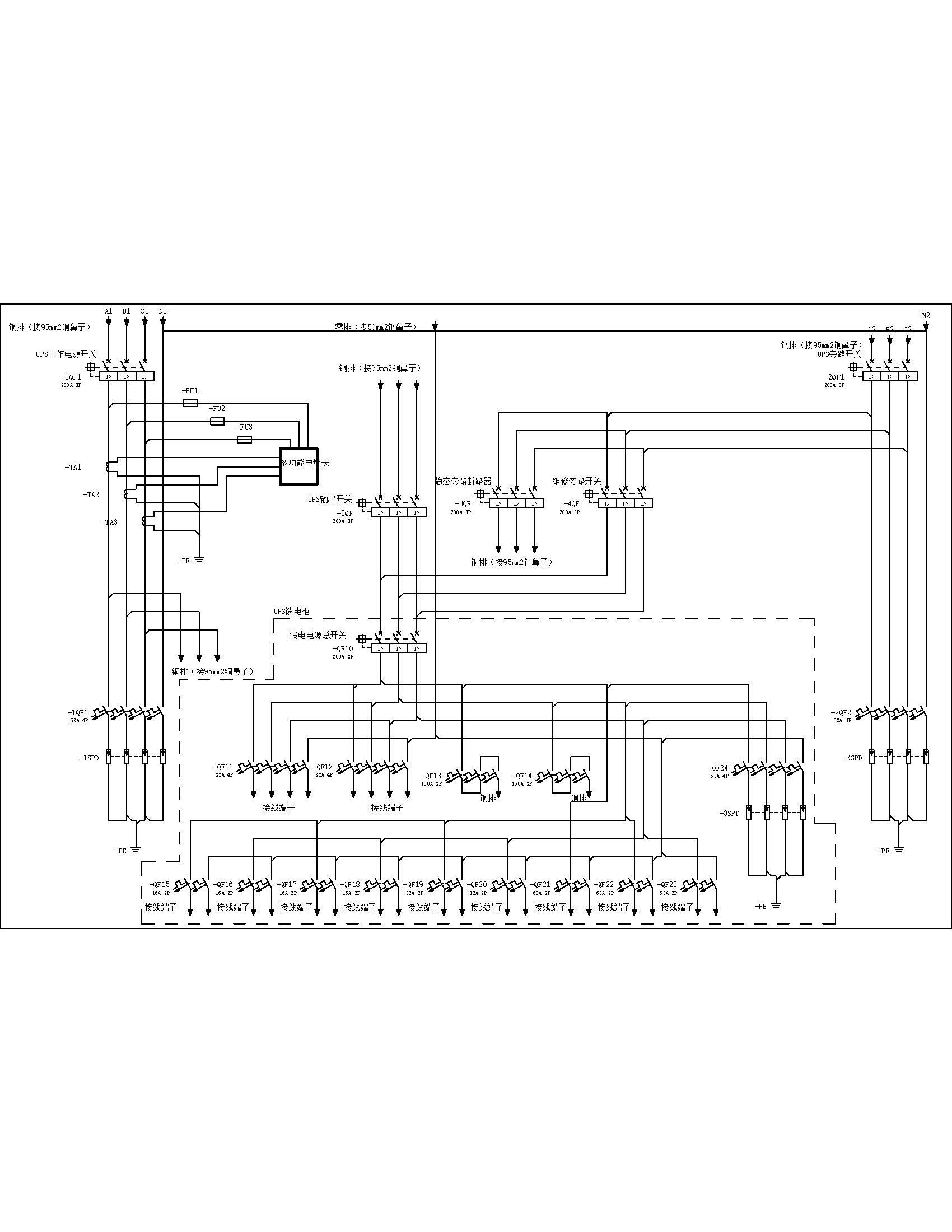
120KVA UPS 施耐德 输入输出柜 含维修旁路 14回路
120KVA UPS 施耐德 输入输出柜 含维修旁路
收藏
联系客服24小时客服

扫码联系客服,立即咨询
如需了解更详情资料
联系客服:400-6611-323
联系客服:400-6611-323
方案BOM清单
方案总价
34019.35
方案描述
暂无数据
CAD图纸
944193.dwg
文件信息
944193.pdf
944193.zip
用户评价
发表评价
专业性
价格
服务
评价商品
0 / 500
晒图片
点击上传图片
暂无评价
