配电系统
UPS系统
空调系统
EPS系统
机房能源配置方案
UPS电源
蓄电池
EPS电源
电池柜
电池线
STS产品
欢迎光临瑞物云商城
官方热线:
400-6166-290
瑞物商城首页
点击登录
方案
产品
无数据
搜索
首页
成套采购
商城单品
合作商家
瑞物百科
入驻我们
关于我们
‹
›
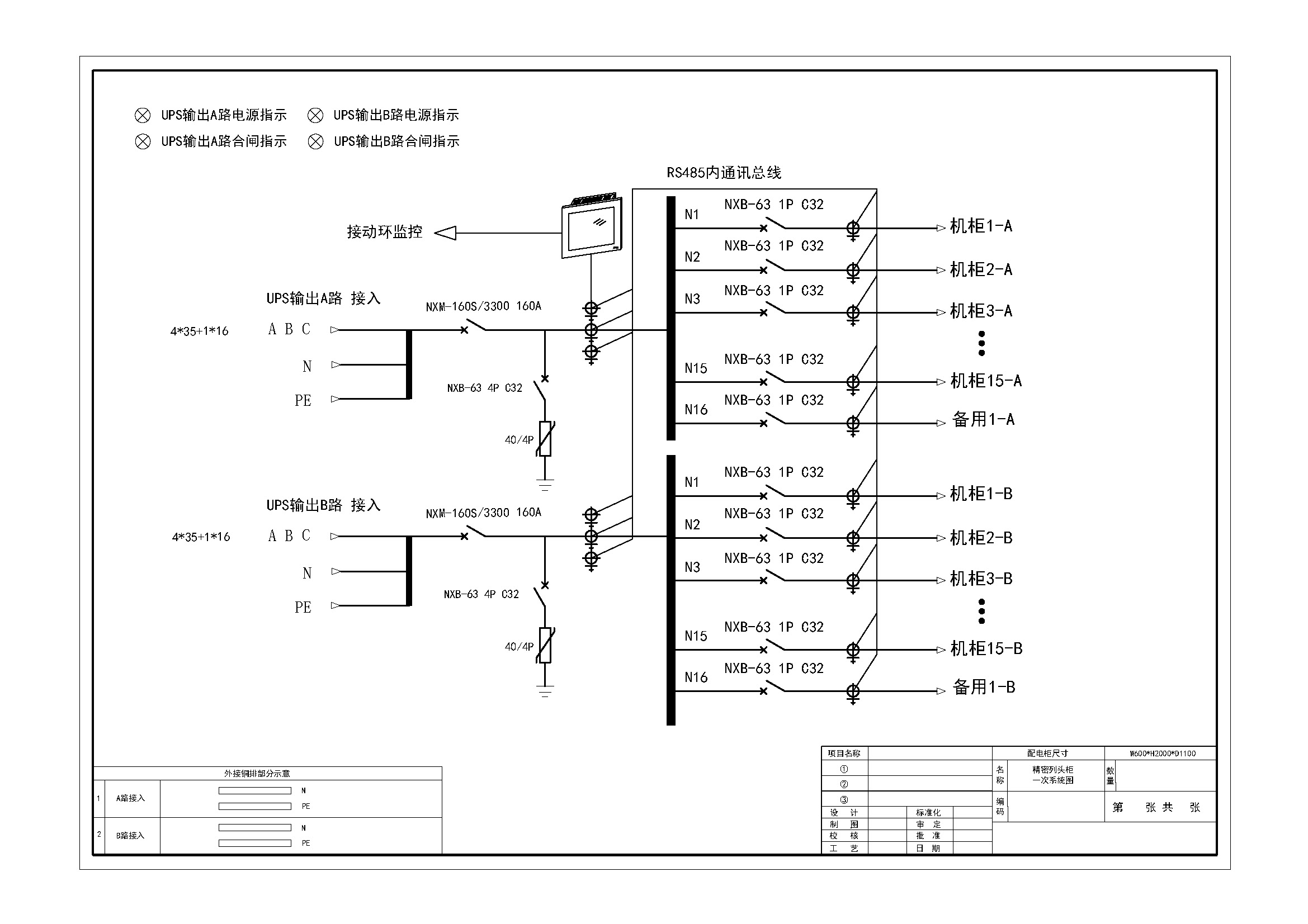
正泰 精密列头柜160A 32路
正泰 精密列头柜160A 32路
价格
¥
23561.36
该方案所属商家已通过认证
商家
石家庄流畅电子科技有限公司
产品品牌
图腾
|
正泰
|
旺文
|
驰丰
|
国产优质
|
国标
功能:
精密型/普通型
元气件品牌:
正泰
柜体类型:
机柜
回路个数:
21-40路
容量:
160A
场景:
机房
应用:
列头柜/双路输入双输出
立即加购
立即咨询
收藏
联系客服
24小时客服
扫码联系客服,立即咨询
如需了解更详情资料
联系客服:400-6611-323
方案BOM清单
CAD图纸
文件信息
用户评价
方案下载
方案BOM清单
方案总价
26383.98
方案描述
暂无数据
CAD图纸
943586.dwg
下载
文件信息
943586.pdf
预览
下载
用户评价
发表评价
专业性
价格
服务
评价商品
0 / 500
晒图片
点击上传图片
发布
暂无评价