

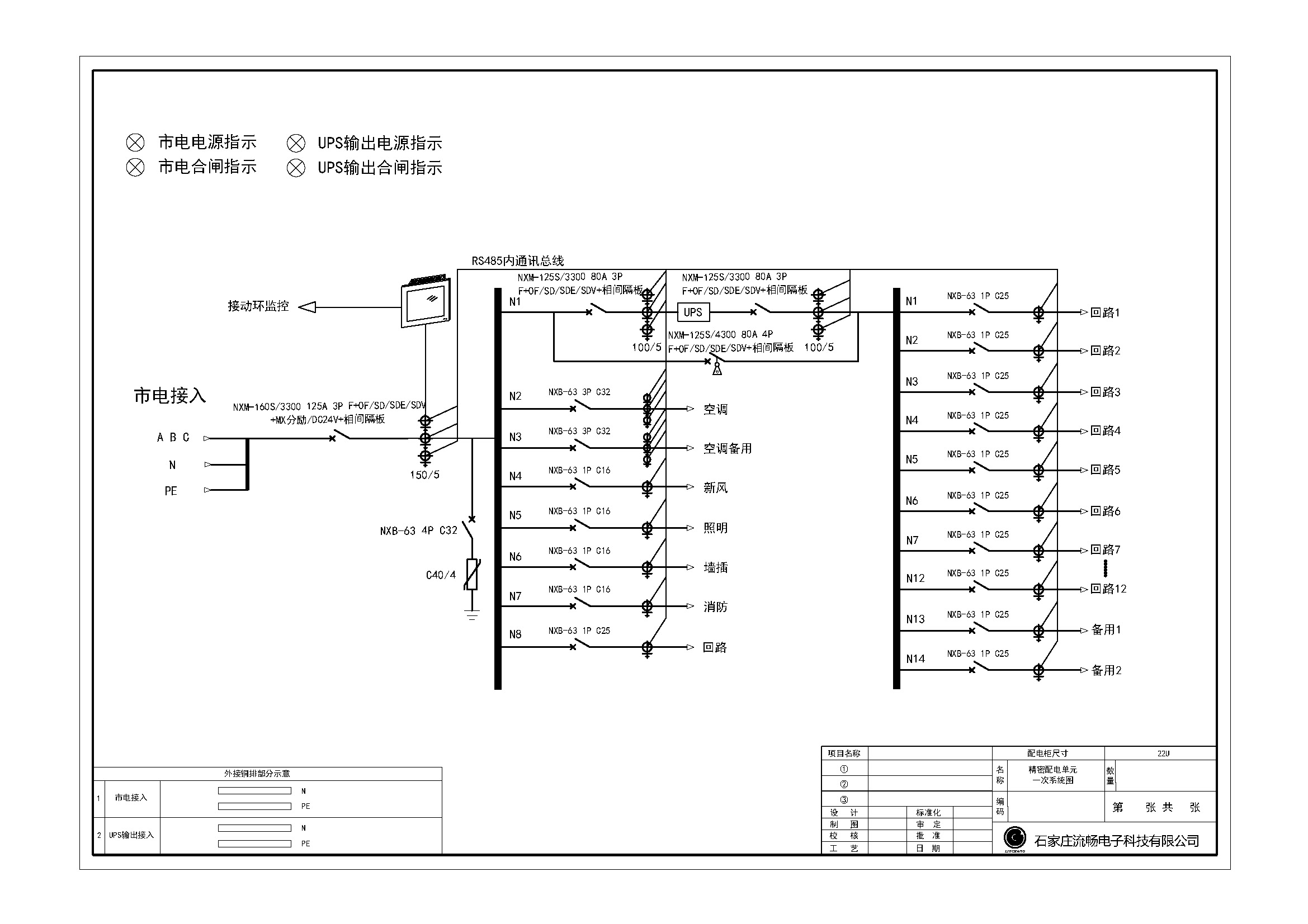
22U 综合精密配电单元 正泰 125A 22回路
22U 综合精密配电单元 正泰 125A 22回路
收藏
联系客服24小时客服

扫码联系客服,立即咨询
如需了解更详情资料
联系客服:400-6611-323
联系客服:400-6611-323
方案BOM清单
方案总价
20905.86
方案描述
暂无数据
CAD图纸
943606.dwg
文件信息
943606.pdf
用户评价
发表评价
专业性
价格
服务
评价商品
0 / 500
晒图片
点击上传图片
暂无评价


22U 综合精密配电单元 正泰 125A 22回路

暂无数据
暂无评价