


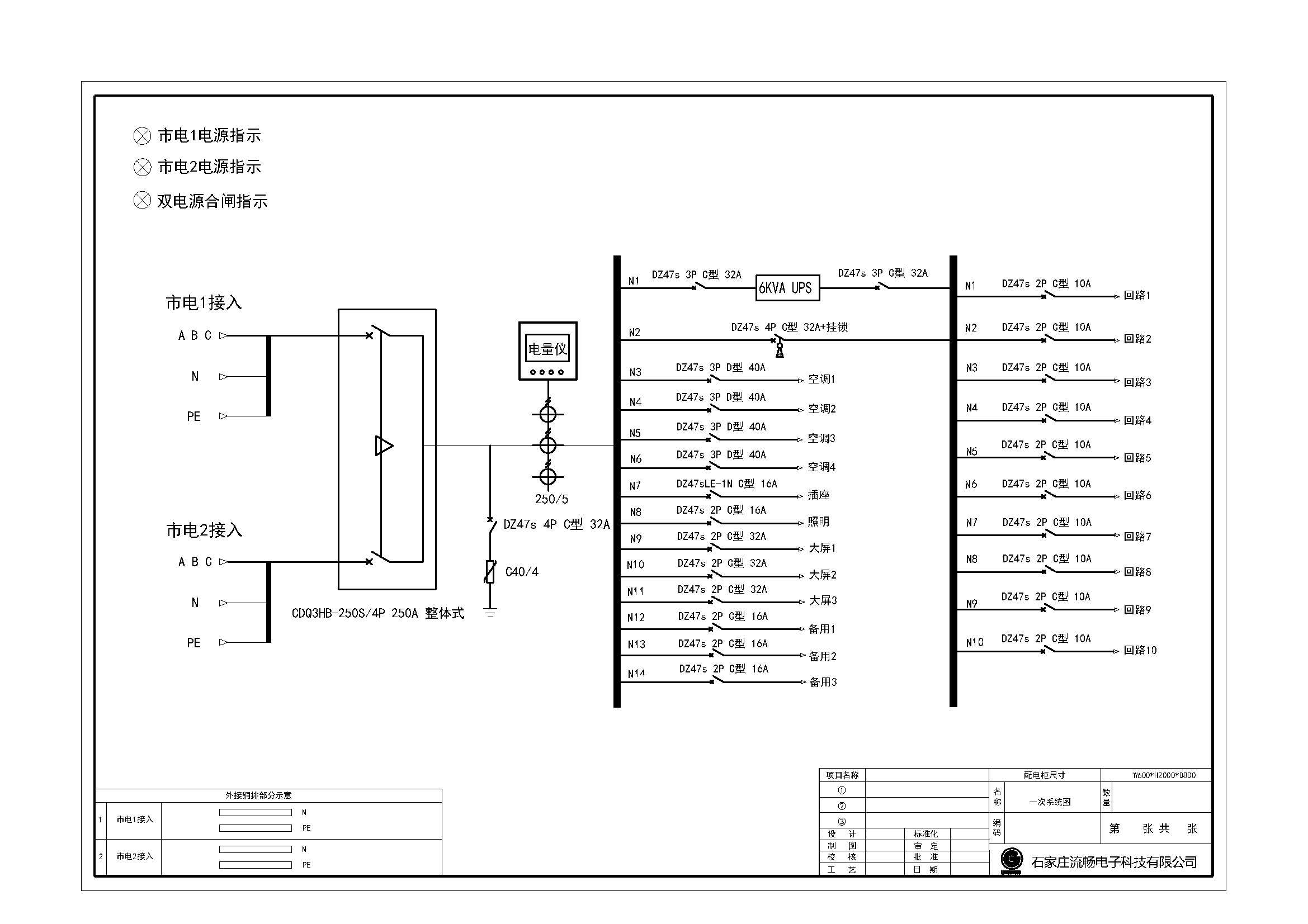
综合配电柜 250A 4P 德力西 双电源 6KVA UPS
综合配电柜 250A 4P 德力西 双电源 6KVA UPS
收藏
联系客服24小时客服

扫码联系客服,立即咨询
如需了解更详情资料
联系客服:400-6611-323
联系客服:400-6611-323
方案BOM清单
方案总价
12320.01
方案描述
暂无数据
CAD图纸
942586.dwg
文件信息
942586.pdf
用户评价
发表评价
专业性
价格
服务
评价商品
0 / 500
晒图片
点击上传图片
暂无评价
