


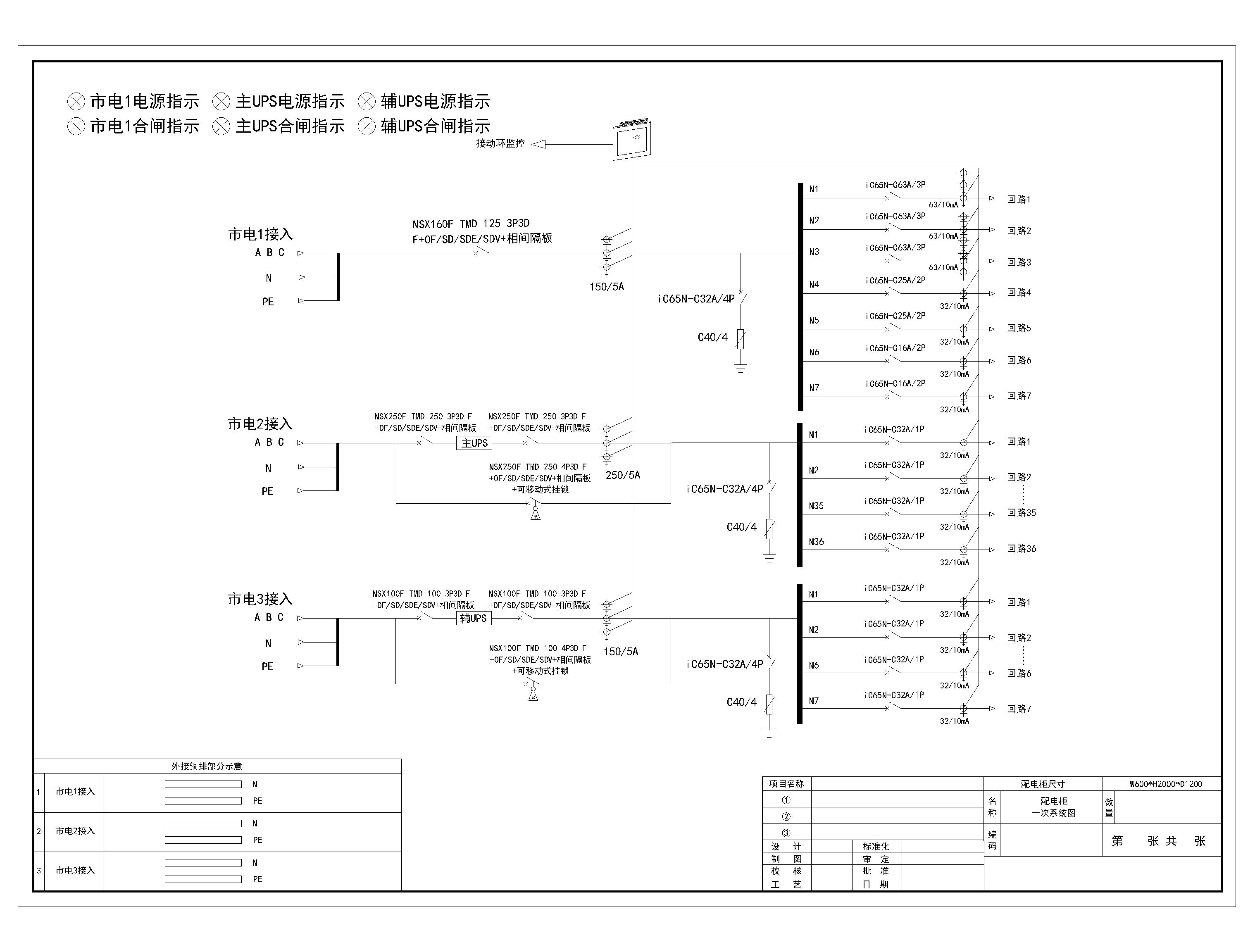
精密综合柜 三路输入 三路输出 施耐德 250A 50回路
精密综合柜 三路输入 三路输出 施耐德 250A 50回路
收藏
联系客服24小时客服

扫码联系客服,立即咨询
如需了解更详情资料
联系客服:400-6611-323
联系客服:400-6611-323
方案BOM清单
方案总价
35733.33
方案描述
暂无数据
CAD图纸
942642.dwg
文件信息
942642.pdf
用户评价
发表评价
专业性
价格
服务
评价商品
0 / 500
晒图片
点击上传图片
暂无评价



精密综合柜 三路输入 三路输出 施耐德 250A 50回路

暂无数据
暂无评价